Выберите комплектацию—Сезонная (Домокомплект)
- Сезонная (Домокомплект)
- Зимняя
- ПМЖ
- Люкс
Характеристики
Площадь, м2
—
129
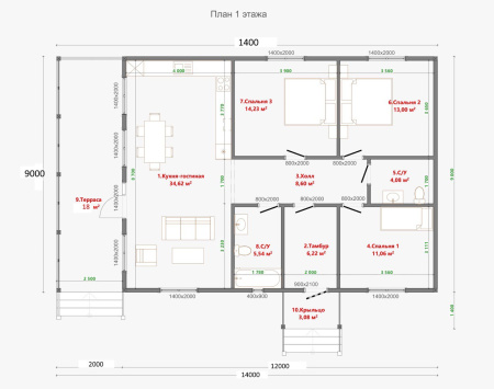
Размер дома
—
9x14
Этажность
—
Одноэтажные
Кол-во спален
—
3
Количество доставок
—
6-6-7
Вид объекта
—
Дом
0000
Новая цена (только наличные)
1 894 700 руб. Старая цена (или ипотека)
2 255 600 руб.
-16%
Экономия 360 900 руб.
Нашли дешевле?
В заявку
Получить консультацию
Получить презентацию
Комплектация
Сезонная (домокомплект)
ЗИМА
ПМЖ
ЛЮКС
Сборка
Включена в стоимость
Включена в стоимость
Включена в стоимость
Включена в стоимость
Основание, каркас дома, лаги пола и стропила
-
Доска естественной влажности
Доска естественной влажности
Доска камерной сушки
Основание дома (обвязка в во всех направлениях и по кругу)
Брус 100х150мм
Брус 150х150мм
Брус 150х150мм
Брус 150х150мм
Лаги пола
Из доски 40х100мм с расстоянием между лагами 590мм
Из доски 40х150мм с расстоянием между лагами 590мм
Из доски 40х200мм с расстоянием между лагами 590мм
Из доски 40х200мм с расстоянием между лагами 590мм
Пол черновой
Обрезная доска 100х20 мм - второй сорт
Обрезная доска 100х20 мм - первый сорт
Обрезная доска 100х20 мм - первый сорт
Обрезная доска 100х20 мм - первый сорт
Сетка от грызунов
Дополнительно
Дополнительно
Включено
Включено
Пол предчистовой
Шпунтованная доска пола 27 мм камерной сушки (3 м)
Шпунтованная доска пола 36 мм камерной сушки
Шпунтованная доска пола 36 мм камерной сушки
Шпунтованная доска пола 36 мм камерной сушки
Потолок
2.3 м
2.5 м
2.5 м
2.5 м
Наружные стены
Каркасные, евровагонка класса AB (3 метра) - снаружи, евровагонка класса С (3 метра) - внутри. Утепление-100мм.
Каркасные, имитация бруса AB - снаружи, евровагонка класса АБ (3 метра) - внутри. Утепление-150мм.
Каркасные, имитация бруса AB - снаружи, евровагонка класса АБ (3 метра) - внутри. Утепление-200мм.
Каркасные, имитация бруса AB - снаружи, евровагонка класса АБ (3 метра) - внутри. Утепление-200мм.
Наружные стены с внутренней стороны и перекрытие верхнего этажа
-
Внахлест
Внахлест
Проклеивание пленок влаго/парозащиты на ленту
Перегородки
Каркасные. По стенам подшита евровагонка класса С (3 метра). Утепление-100мм.
Каркасные. По стенам подшита евровагонка класса AB (3 метра). Утепление-100мм.
Каркасные. По стенам подшита евровагонка класса AB (3 метра). Утепление-100мм.
Каркасные. По стенам подшита евровагонка класса AB (3 метра). Утепление-100мм.
Вент зазор на кровлю
Да
Да
Да
Да
Вент зазор на фасад
Нет
Да
Да
Да
Вент. решетки на фронтоны
2 шт
2 шт
2 шт
2 шт
Крыша
Стропила-40х100мм. Кровля укладывается и закрепляется на обрешётке из доски 22-25мм. по паро-гидроизляции
Стропила-40х150мм. Кровля укладывается и закрепляется на обрешётке из доски 22-25мм. по паро-гидроизляции
Стропила 40х200мм. Кровля укладывается и закрепляется на обрешётке из доски 22-25мм. по паро-гидроизляции
Стропила 40х200мм. Кровля укладывается и закрепляется на обрешётке из доски 22-25мм. по паро-гидроизляции
Покрытие кровли
Цветной профлист с ветровыми планками
Металлочерепица с ветровыми планками
Металлочерепица с ветровыми планками
Металлочерепица с ветровыми планками
Карнизная полка
360 мм
360 мм
360 мм
360 мм
Водосточная система ПВХ
Дополнительно
Дополнительно
Включено
Включено
Высота конька
1,5 м
1,5 м
1,5 м
1,5 м
Подшивка всего дома под конек
Нет
Нет
Нет
Нет
Окна: 500*500-1шт, 1000*500-1шт, 1400*1800-7шт, входная группа 1400х2000-1шт
ПВХ однокамерные, цвет белый, поворотный механизм
ПВХ двухкамерные, цвет белый, поворотный механизм
ПВХ двухкамерные, цвет белый, поворотный механизм
ПВХ двухкамерные, цвет белый, поворотный механизм
Металлические отливы на окна
Дополнительно
Включено
Включено
Включено
Двери межкомнатные
Деревянные филенчатые.
Деревянные филенчатые.
Деревянные филенчатые.
Деревянные филенчатые.
Дверь входная
Металлическая (Россия) цвет коричневый - 1 шт. Входная группа ПВХ 1400х2000 - 1 шт
Металлическая (Россия) цвет коричневый - 1 шт. Входная группа ПВХ 1400х2000 - 1 шт
Металлическая (Россия) цвет коричневый - 1 шт. Входная группа ПВХ 1400х2000 - 1 шт
Металлическая (Россия) цвет коричневый - 1 шт. Входная группа ПВХ 1400х2000 - 1 шт
Терраса
Входит в стоимость - 21 кв.м.
Входит в стоимость - 21 кв.м.
Входит в стоимость - 21 кв.м.
Входит в стоимость - 21 кв.м.
Обшить столбы имитацией бруса
Нет
Да
Да
Да
Подшивка террасы под конек
Да
Да
Да
Да
Шторки на террасе
Нет
Нет
Нет
Нет
Ступени на террасе по всей длине
Нет
Нет
Нет
Нет
Стоимость
2 009 300
2 107 000
2 261 800
Отзывы
Оставить отзыв
Загрузка отзывов...
<virtues>Благодарен за строительство</virtues>
<comment>МО, деревня Подпорино, Истринский р-н</comment>
Доставка стройматериалов для будущего дома, бани, дачи или бытовки осуществляется грузовым транспортом компании Полесье. Стоимость доставки зависит от размера дома и удаленности вашего земельного участка от производственного комплекса компании. И рассчитывается менеджером индивидуально
| Коммуникации | ||||
|---|---|---|---|---|
| Наименование работ | Описание | Количество | Единица измерения | Итого |
| Электрика открытого типа (кабель-канал ) | ||||
| Розетка двойная (накладная) Этюд | Монтаж розетки накладной с учетом кабельной линии(ВВГ-Пнг(А)LS2,5мм) и кабельканала(цвет дерева или белый по выбору). Стандартная установка 20 см от пола. | шт. | ||
| Заземление модульно-штыревое | Монтаж штыревого заземления на глубину 6м., вывод заземляющего кабеля в дом. | компл. | ||
| Вывод нестандартного сечения провода (3*4; 4*5; 5*2,5 мм) в пределах дома и на фасад | Вывод кабельных линий(ВВГнгLSП сечение проводника согласно заявленной мощности потребления) на конвектор, плиту, посудомоечную машину, стирально-сушильную машину, бойлер,котел. Монтаж кабельканала (цвет дерева или белый по выбору) |
шт. | ||
| Вывод на вентилятор | Вывод кабельных линий(ВВГнгLSП1,5мм) на вентилятор в С/У(помещениях с повышенной влажностью), монтаж кабельканала (цвет по выбору) | шт. | ||
| Выключатель трехклавишный Этюд | Монтаж выключателя с учетом кабельной линии(ВВГ- Пнг(А)LS1,5мм) и кабельканала(цвет по выбору). Стандартная установка на высоте 90см от пола. | шт. | ||
| Выключатель двухклавишный Этюд | Монтаж выключателя с учетом кабельной линии(ВВГ- Пнг(А)LS1,5мм) и кабельканала(цвет по выбору). Стандартная установка на высоте 90см от пола. | шт. | ||
| Выключатель одноклавишный Этюд | Монтаж выключателя с учетом кабельной линии(ВВГ- Пнг(А)LS1,5мм) и кабельканала(цвет по выбору). Стандартная установка на высоте 90см от пола. | шт. | ||
| Вывод на освещение (светильник отдельно) | Вывод кабельных линий(ВВГнгLSП1,5мм) на освещение, установка патрона и лампы освещения, монтаж кабельканала (цвет дерева или белый по выбору). Светильник предоставляется заказчиком. | шт. | ||
| Розетка тройная (накладная) Этюд | Монтаж розетки накладной с учетом кабельной линии(ВВГ-Пнг(А)LS2,5мм) и кабельканала(цвет дерева или белый по выбору). Стандартная установка 20 см от пола. | шт. | ||
| Розетка одинарная (накладная) Этюд | Монтаж розетки накладной с учетом кабельной линии(ВВГ-Пнг(А)LS2,5мм) и кабельканала(цвет дерева или белый по выбору). Стандартная установка 20 см от пола. | шт. | ||
| Щит распределительный для домов площадью от 100 м2 . + автоматы | Распределительный щит накладной, соответсвующий высоким требованиям по обеспечению безопасности (технологичность сверх норм ПУЭ), высококачественная автоматика IEK ВА, со степенью отключающей способности не менее 6кА. Защитное отключение УЗО. Вводной автомат. | компл. | ||
| Щит распределительный для домов площадью до 100 м2 . + автоматы | Распределительный щит накладной, соответсвующий высоким требованиям по обеспечению безопасности (технологичность сверх норм ПУЭ), высококачественная автоматика IEK ВА, со степенью отключающей способности не менее 6кА. Защитное отключение УЗО. Вводной автомат. | компл. | ||
| Щит распределительный для домов площадью до 35 м2 . + автоматы | Распределительный щит накладной, соответсвующий высоким требованиям по обеспечению безопасности (технологичность сверх норм ПУЭ). Защитное отключение УЗО. Вводной автомат. | компл. | ||
| Подключение вводного кабеля | Подключение вводного кабеля в ЩР, согласно напряжению, монтаж глухозаземленной нейтрали (стоимость прокладки кабеля просчитывается отдельно по факту произведения замеров) | шт. | ||
| Подготовка отверстий в стенах | шт. | |||
| Монтаж точки вентиляции | Приточный клапан вентиляции NovaOPTIMA | шт. | ||
| Монтаж точки вентиляции | Рекуператор-проветриватель, приточно-вытяжной CUPER 125 | шт. | ||
| Изменение на ретро винтаж - сосна 15% | ||||
| Итого по разделу: | 0 руб. | |||
| Отопление жидкостное (радиаторы + котел) | ||||
| Установка электрического котла до 48 кв.м | Котел электрический OASIS 3квт | шт. | ||
| Установка электрического котла свыше 48 кв.м | Котел электрический Navien 12квт | шт. | ||
| Гидроаккумулятор на 50 литров | Монтаж гидроаккумулятора(50 литров) АКВАБРАЙТ ГМ-50 в котельном помещении. С использованием фильтра отчистки воды и крана с тройником для подключения | шт. | ||
| Обвязка котла с расширительным бочком | Полипропилен | шт. | ||
| Радиаторы отопления | Установка алюминиевых радиаторов отопления Therma | шт. | ||
| Подготовка отверстий в стенах | шт. | |||
| Опресовка и заливка системы | шт. | |||
| Опресовка и заливка системы двухэтажных домов | шт. | |||
| Бойлер электрический 100 литров | Монтаж бойлера 100 литров (настенный) Thermex системы защиты: УЗО, от перегрева, работы без воды, предохранительный клапан функции: индикатор включения, термометр, ограничение температуры нагрева | шт. | ||
| Установка фильтрационных элементов | Монтаж дополнительных фильтров на вводе системы водоснабжения. | шт. | ||
| Узел ввода воды (простой) | УВВ: Ниппель, кран шаровый, фильтр косой ППР для установки греющего кабеля на вводе воды в дом. | компл. | ||
| Обогрев ввода воды в дом. Установка греющего кабеля. | Монтаж греющего кабеля(внутреннего 6 метров) подключение к узлу ввода воды. Для избежания замерзания в зимний период трассы ввода водоснабжения в дом. | шт. | ||
| Итого по разделу: | 0 руб. | |||
| Вода и канализация (монтаж открытого типа) - внутри дома | ||||
| Точки водоснабжения холодная | Монтаж точек холодного водоснабжения, трубы из армированного полипропилена ППР ф20мм и ф25 мм | шт. | ||
| Точки водоснабжения горячая | Монтаж точек горячего водоснабжения, трубы из армированного полипропилена ППР ф20мм и ф25 мм | шт. | ||
| Точки канализации | Монтаж системы канализации из ПВХ труб(производство Россия) | шт. | ||
| Итого по разделу: | 0 руб. | |||
| Вода и канализация (монтаж открытого типа) - под домом | ||||
| Точки водоснабжения холодная | Под домом. Утепление 100 мм | шт. | ||
| Точки водоотведения | Под домом. Утепление 100 мм | шт. | ||
| Итого по разделу: | 0 руб. | |||
| Наружные сети | ||||
| Монтаж вводного кабеля электричество (в земле) | Монтаж вводного кабеля (ВБбШв 4х10 медный) на глубине 0,7 метра от столба к дому. Окончательная стоимость наружных коммуникаций после выезда специалиста на место объекта | м. | ||
| Монтаж трассы канализации | Монтаж трассы канализации в траншее под уклоном. Раскопка-закопка. Окончательный расчет наружных коммуникаций после выезда специалиста на место объекта | пог.м. | ||
| Монтаж трассы водоснабжения | Прокладка трассы холодного водоснабжения (труба ПНД 32в траншее(ниже глубины промерзания). Раскопка-закопка. Окончательный расчет наружных коммуникаций после выезда специалиста на место объекта | пог.м. | ||
| Скважина на известняк | Бурение скважины на известняк с монтажом обсадной стальной трубы ПНД ф 133 мм и погружной трубы ПНД ф 114 мм. Окончательная стоимость по факту бурения на известняк. | пог.м. | ||
| Монтаж скваженного адаптера и насосного оборудования в скважину, глубиной не более 70 метров. | Монтаж скваженного адаптера на глубине 1,5- 1,7 метра в обсадной трубе скважины. Монтаж скважинного насоса Belamos, труба ПНД ф 32 мм, сливной клапан, обратный клапан, зажимы для троса, трос для поднятия насоса, оголовок для скважины. | компл. | ||
| ТОПАС3 с 1 компрессором | Количество пользователей до 3 человек | шт. | ||
| ТОПАС5 с 1 компрессором | Производительность — 1 м3 в сутки, Количество пользователей до 5 человек, Объем залпового сброса — 220 литров, Мощность — 60Вт в час, Энергопотребление — 1,5 кВт в сутки, Габаритные размеры — Д 0,95 х Ш 0,95 х В 2,0, отработанная вода в ливневку заказчика | шт. | ||
| ТОПАС7 с 1 компрессором | Количество пользователей до 7 человек | шт. | ||
| Итого по разделу: | 0 руб. | |||
| Теплый пол | ||||
| Матовый электрический | кв.м | |||
| Трубный водяной | кв.м | |||
| Итого по разделу: | 0 руб. | |||
| Дополнительно | ||||
| Подготовительные работы | Проверка материала ОТК. Проектирование внутренних и наружных сетей. | кв.м | ||
| Предварительный выезд инженера на объект | Выезд инженера на объект для осмотра технических нюансов участка, дома или фундамента | у.е. | ||
| Доставка материала | Доставка материала на объект удаленность от мкад до 100 километров. | у.е. | ||
| Установка сан узла | шт. | |||
| Установка душевой кабины | шт. | |||
| Установка раковины с зеркалом | шт. | |||
| Итого по разделу: | 0 руб. | |||
| Итого | 0 руб. | |||
Вам также может понравиться
